型号详细情况
IKO NUCF12-1R轴承
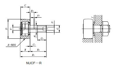
NUCF12-1R
我公司专业销售轴承NUCF12-1R型号,我们针对NUCF12-1R轴承为客户提供各种技术服务,NUCF12-1R轴承的IKO品牌。需要NUCF12-1R轴承最新规格、图纸、价格等资料请与我们联系。联系电话:
我们还为您推荐: TA2520Z/TAM2520/IRT2020-1轴承
TA1815Z/TAM1815/IRT1515轴承
IRB88轴承
BHA1614Z/BHAM1614/IRB1214轴承
CRH52VBR/CRH52VBUUR轴承
NUCF12-1R相关型号
- 基本参数
- 系列
- 螺栓型滚轮滚针轴承13
- 型号
- NUCF12-1R
- 主要尺寸/mm
- D
- 32
- C
- 14
- d1
- 12
- G
- M12×1.5
- G1
- 13
- B
- 15.2
- B1
- 40.2
- B2
- 25
- B3
- 6
- C1
- 0.6
- g1
- 6
- g2
- 3
- 重量
- 质量/g
- NUCF 12-1 R
- 其他参数
- 安装关系尺寸 f/Min.mm
- 97
- 最大拧紧扭矩/N-m
- 17
- 基本额定动负荷 C/N
- 21.9
- 基本额定静负荷 Co/N
- 14 000
- 最大静态容许负荷
- 13 400
NUCF12-1R推荐型号
