型号详细情况
IKO CF12-1WBR/CF12-1WBUUR轴承
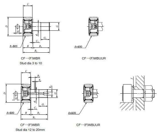
CF12-1WBR/CF12-1WBUUR
我公司专业销售轴承CF12-1WBR/CF12-1WBUUR型号,我们针对CF12-1WBR/CF12-1WBUUR轴承为客户提供各种技术服务,CF12-1WBR/CF12-1WBUUR轴承的IKO品牌。需要CF12-1WBR/CF12-1WBUUR轴承最新规格、图纸、价格等资料请与我们联系。联系电话:
我们还为您推荐: TRI9012550/LRT9010050轴承
CRBC60040/CRB60040轴承
AZ22036052/AZK22036020/WS220360/GS220360轴承
LRT809025轴承
KT233015轴承
CF12-1WBR/CF12-1WBUUR相关型号
- 基本参数
- 系列
- 螺栓型滚轮滚针轴承8
- 型号
- CF12-1WBR/CF12-1WBUUR
- 主要尺寸/mm
- D
- 32
- C
- 14
- d1
- 12
- G
- M12×1.5
- G1
- 13
- B
- 15.2 max
- B1
- 40.2 max
- B2
- 25
- B3
- 6
- C1
- 0.6
- g1
- 4
- g2
- 3
- H
- 6
- 重量
- 质量/g
- CF 12-1 WBR
- 其他参数
- 安装关系尺寸 f/Min.mm
- CF 12-1 WBUUR
- 最大拧紧扭矩/N-m
- 105
- 基本额定动负荷 C/N
- 21
- 基本额定静负荷 Co/N
- 21.9
- 最大静态容许负荷
- 7 910
CF12-1WBR/CF12-1WBUUR推荐型号
