型号详细情况
IKO CRBT205A轴承
CRBT205A
我公司专业销售轴承CRBT205A型号,我们针对CRBT205A轴承为客户提供各种技术服务,CRBT205A轴承的IKO品牌。需要CRBT205A轴承最新规格、图纸、价格等资料请与我们联系。联系电话:
CRBT205A相关型号
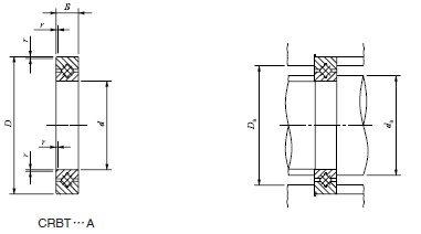
- 基本参数
- 系列
- 交叉滚子轴承6
- 型号
- CRBT205A
- 主要尺寸/mm
- d
- 20
- D
- 31
- B
- 5
- r1 smin(1)
- 0.15
- 重量
- 质量/g
- CRBT 205 A
- 安装关系尺寸 /mm
- da
- 14.8
- Da
- 22.5
- 其他参数
- 基本额定动负荷 C/N
- 27
- 基本额定静负荷 Co/N
- 1 400
CRBT205A推荐型号
