型号详细情况
IKO CFS4F轴承
CFS4F
我公司专业销售轴承CFS4F型号,我们针对CFS4F轴承为客户提供各种技术服务,CFS4F轴承的IKO品牌。需要CFS4F轴承最新规格、图纸、价格等资料请与我们联系。联系电话:
我们还为您推荐: RNA6901UU/RNA6901U轴承
NAFW122420/LRT121620轴承
CF-SFU-10轴承
TA2210Z/TAM2210/IRT1710-2轴承
NATA5902/NATB5902轴承
CFS4F相关型号
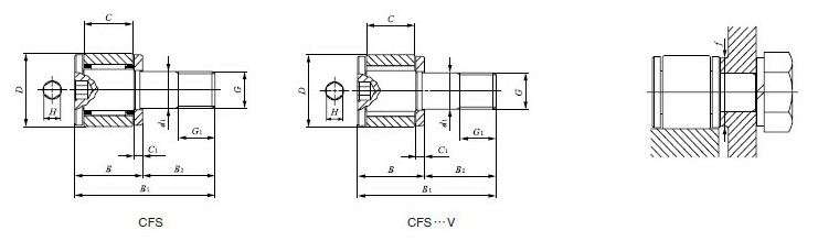
- 基本参数
- 系列
- 螺栓型滚轮滚针轴承15
- 型号
- CFS4F
- 主要尺寸/mm
- D
- 8
- C
- 5
- d1
- 4
- G
- M4 ×0.7
- G1
- 4
- B
- 7
- B1
- 15
- B2
- 8
- C1
- 1.0
- H
- 1.5
- 重量
- 质量/g
- CFS 4 F
- 其他参数
- 安装关系尺寸 f/Min.mm
- ─
- 最大拧紧扭矩/N-m
- 4
- 基本额定动负荷 C/N
- 7.7
- 基本额定静负荷 Co/N
- 77.7
- 最大静态容许负荷
- 897
CFS4F推荐型号
