型号详细情况
IKO CF20-1WBUUR/SG轴承
CF20-1WBUUR/SG
我公司专业销售轴承CF20-1WBUUR/SG型号,我们针对CF20-1WBUUR/SG轴承为客户提供各种技术服务,CF20-1WBUUR/SG轴承的IKO品牌。需要CF20-1WBUUR/SG轴承最新规格、图纸、价格等资料请与我们联系。联系电话:
CF20-1WBUUR/SG相关型号
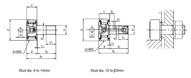
- 基本参数
- 系列
- 螺栓型滚轮滚针轴承1
- 型号
- CF20-1WBUUR/SG
- 主要尺寸/mm
- D
- 47
- C
- 24
- d1
- 20
- G
- M10×1.5
- G1
- 21
- B
- 25.6
- B1
- 66.1
- B2
- 40.5
- B3
- 9
- C1
- 0.8
- g2
- 4
- H
- 8
- 重量
- 质量/g
- 20
- 其他参数
- 安装关系尺寸 f/Min.mm
- 385
- 最大拧紧扭矩/N-m
- 34
- 基本额定动负荷 C/N
- 119
- 基本额定静负荷 Co/N
- 20 700
- 最大静态容许负荷
- 34 600
CF20-1WBUUR/SG推荐型号
